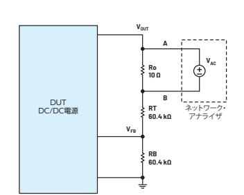
FRAでDC-DCコンバータのGA/PMを測定するとき、注入抵抗Rinjの下側の波形レベルが周波数が高くなるほど小さくなります。この理由を考えてみました。
1.出力端にある大容量の積層セラミックキャパシタの影響
出力容量が47μF、測定周波数100kHzとするとインピーダンスは34mΩ。注入抵抗Rinjよりも、電圧決定抵抗Rtよりも遥かに小さい。よって、注入された電流はほとんど出力コンデンサを通ってグランドに流れてしまうため。
2.クロスオーバー周波数を超え、ナイキスト線図の内側の領域は+のGainがあるため、微小な注入信号が増幅されるので、Rinjの上側は比較的大きな信号が観測される。



コメント